
Descrição e especificações do produto
Motor Elétrico 2P Monofásico 3,0CV IP44 YL90L-2 LYNUS
Lynus
Motor Elétrico 2 Polos Monofásico 3,0CV IP44 YL90L-2 00010391.7 LYNUS
Indicado para compressores, serras para metais, ventiladores, forrageiras, máquinas para beneficiamento de madeiras, betoneiras, furadeiras, entre outras.
Grau de Proteção: IP 44 conforme ABNT NBR 60529 e IEC 60034-5.
Excelente opção para aplicações em ambientes com presença de poeira e respingos de água de todas as direções;
Forma Construtiva: B3T conforme ABNT/IEC 60034-7. A caixa de ligação em cima facilita a instalação;
Isolamento: Classe B (130C);
Carcaça: Conforme norma ABNT NBR 15623-1 e IEC 60072-1;
Dados Técnicos:
Modelo: YL90L-2
Cor: Preto Fosco
Código: 00010391.7
Potência(kw)(cv): 2,2 | 3,0
Tensão(V)(não automático): 127/220
Carcaça: 90L
N Pólos: 2 Pólos
Rotação(rpm): 3460
Freq.(Hz): 60
Fator de Serviço(FS): 1,15
Corrente Nominal em 220V: 14,0
Torque Nominal(N.m): 6,3
Partida/Nominal(N.m): 2,1
Máximo/Nominal(N.m): 3,3
Tempo Máx. Rotor Bloqueado(s): 10
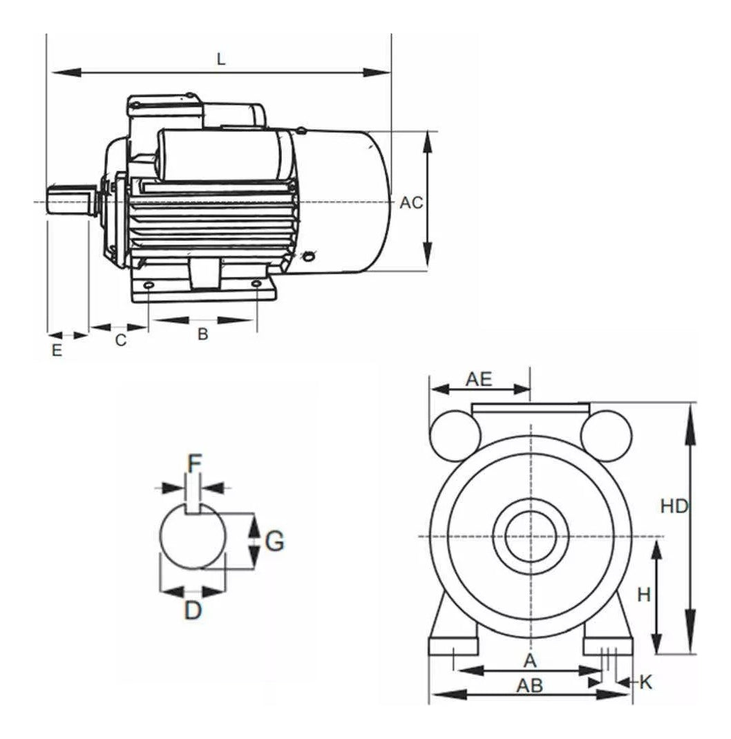
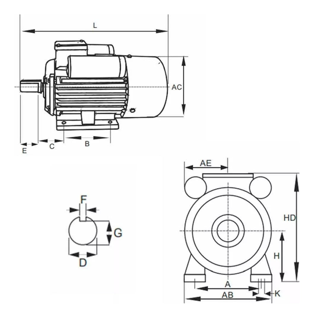
Medidas:
A: 140, B: 125, C: 56, D: 19,05, E: 57,1, F: 4,76, G: 16,3, H: 90, K: 10
AB: 180, AC: 185, AE: 130, HD: 240 L: 407,1
Rolamentos Dianteiro: 6205 2RS
Marca: LYNUS
Ref: 00010391.7
Garantia: 12 Meses
* Imagens Meramente Ilustrativas.